Ranatec introduces panel-mountable RI 4201 SuperSpeed USB 3.0 Feedthrough Filter

2025-06-03

Ranatec, a part of Qamcom Group and progressive creator of test and measurement equipment for RF and microwave applications, announced today the introduction of the RI 4201 USB 3.0 Feedthrough Filter. Expanding the Ranatec family of EMI feedthrough filter products, the new panel-mountable, passive, SuperSpeed USB filter is ideal for EMI/RFI shielding and RF-protected environments, aimed at meeting customer needs for a USB 3.0 feedthrough filter with type A connectors on both sides. The company sites evolving market demands for product expansion and solutions for forensic applications and RF device protection.

 

The RI 4201, an additional option to Ranatec’s RI 4192 active filter, provides customers with a wider range of high-performance EMI Feedthrough Filters for RF shielded environments; from more tailored solutions, down to the type of connectors, enabling customers to meet market requirements within testing and RF protection of increasingly “smarter“ devices.

– “We see a growing market for our products within RF shielded protection of devices, says Charlotte Orstein, Ranatec. To meet demand, we have developed the RI 4201, a passive filter highly suitable for these types of applications as well as testing and verification applications where customers prefer USB 3 type A connectors on both sides.”

– “With the development of new smart devices with more complex charging “protocols,” requiring handshakes between the device and charger, a passive filter is more suitable than an active,” continues Ornstein.

The SuperSpeed USB filter is part of Ranatec’s modular feedthrough filter system, with the same panel cutout dimensions as other filters in the series. This makes it easy, fast and flexible for customers to populate a panel or change filters, depending on specific needs. The filter can be used with Ranatec’s shield boxes (sold separately). The RI 4201 filter is reciprocal, meaning it can be used in either direction and mounted on either the inside or outside of a shielded enclosure. It is delivered with an EMI/RFI shielding gasket for reliable panel mounting.

Overview

The RI 4201 is a high-performance USB 3.0 feedthru filter for all types of applications where USB 3.0 signals need to be fed through a shielded wall.

Applications and compatability

Primarily designed to fit in Ranatec’s Shield Boxes but can be used separately. For panel mounting in shield boxes and other types of enclosures such as rooms and chambers.

Suitable for applications where charging of devices is needed.

For fabric mount and tent applications, please see other models on our website or contact us for more information or customization.

Key FEATURES of the RI 4201

  • USB type A connector on both sides
  • USB 3.0 SuperSpeed 5 Gbps
  • Max 1.5 A, 5 V, 7.5 Watts
  • Panel mountable

Electrical interfaces

The physical connectors are located at each end. The filter is reciprocal, which means the mounting direction can be either way, e.g., either outside or inside the shielded enclosure.

Specifications

  • Connector front and back: USB type A
  • Material: Aluminum
  • Dimensions: 68x36x24mm
  • Weight: 130g

            

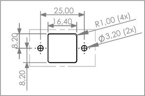
Mechanical interfaces

The RI 4201 is prepared for panel mounting with two threaded M3 screw holes. It is delivered with an EMI/RFI shielding gasket for simple and reliable mounting.

Based on renowned quality and engineering, Ranatec’s competitive portfolio enables customers to test their latest, cutting-edge wireless equipment with superior proficiency – enabling electronics manufacturers to create and secure value-added product offerings and capture a competitive edge and significant share of the global marketplace.

 

 

Ranatec AB (www.ranatec.com)

A part of the Qamcom Group, Ranatec is a progressive creator within signal conditioning products to test, measure, filter, or block signals for innovation in RF testing Together with our global and leading clients and partners, we aim to make them and their products better through inventive solutions for design verification, product certification, production testing and expert trouble shooting. We provide the newest advancements in test design and satisfy the highest demands for performance. Off-the-shelf or full customization, Ranatec offers innovative solutions for Wireless Test Automation, RF/EMC Shielding, and Radar Testing. ISO9001:2015 certified, Ranatec is compliant with the most stringent ISO requirements.

In short, we invent to improve. Visit us at ranatec.com and follow our latest news on LinkedIn and Twitter.

Ranatec Contacts
Leslie Johnsen
Public Relations

leslie.johnsen@ranatec.com

M: +47 4145 8043

Charlotte Ornstein
Operations, Ranatec
charlotte.ornstein@ranatec.com
+46 (0)31 706 16 60

Related News

Ask for a Quote